在手机使用过程中我们经常会遇到各种各样的问题,指纹无法识别也是比较常见的故障之一!导致苹果手机指纹无法识别的原因有很多,一般情况是可以修复的,若是指纹本身问题,无法通过更换Home键来解决。6S以上即使更换Home键也没有返回功能,只做装饰用。
今天客户送来一台iPhone8P,描述的故障是手机摔过之后指纹识别不到,由于客户黑色屏幕摔坏了,所以只能用店里白色的屏幕总成来测试。
故障分析
指纹识别不到,有可能是指纹摔坏了,也有可能是电路问题,要逐个排除。
维修过程
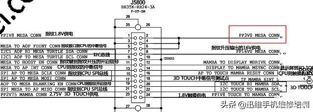
直接更换一个屏幕总成,排除指纹排线或者指纹本身问题,换了故障还是一样。测量指纹座子J5800对地阻值,发现第2脚PP3V0_MESA_CONN对地短路。
熏松香烧机法找到短路的地方,发现PP3V0_MESA_CONN供电上的C5802电容短路。
直接用镊子挑掉,测量对地阻值恢复正常。
补上后装机测试,指纹恢复正常,其他功能一切正常,维修结束。
此故障是指纹供电PP3V0_MESA_CONN滤波电容C5802对地短路导致的指纹识别不能用。








