
-
移动硬盘如何装系统(硬盘重装系统的教
在计算机上也可以登录系统的情况下,如果你想拆卸和更换计算机系统,你可以使用硬盘重新安装系统来重做系统。但有很多

-
如何显示文件后缀名(显示文件后缀设置
在平时工作中,我们经常会使用到文件。比如在工作中,会使用到各种文件,这些都是以文件后缀名显示出来的。但是在平时

-
格力空调wifi怎么连接手机(添加格力智能
一、配网准备 1、 确认设备为格力带WiFi或蓝牙连接功能的产品; 确认家庭WiFi是2.4GHz频段WiFi; 确认设备所处位置连接WiFi网络

-
固态硬盘损坏的表现是什么(电脑SSD固态
随着电脑技术的不断进步,电脑已经不再变得笨重、卡慢,Macbook、XPS等一系列笔记本都是以轻薄、高效著称,而让笔记本轻

-
2022年底积分兑换攻略,8大热门平台积分兑换方式汇总,一文说清
#头条创作挑战赛#前几天去罗森买吃的,经店长提醒“积分年底清零,记得兑换”,才发现2022年过的可真快,转眼又到年底了!

-
华为p9手机锁强制解锁
此时页面跳转到定位手机页面,在定位到手机后,点击【锁定设备】,这时,你需要输入新的锁屏密码,点击下一步。

-
51 AVR 编程器ISP ASP USBASP下载器的驱动下载和程序下载
下载器的介绍编程器板载全新原装进口ATMega8A-AU芯片,支持AT89S51/52单片机AVR所有ASP芯片。输出端口为ATMEL标准端口。

-
Creo8.0软件安装激活教程(含安装包下载)
软件下载软件:Creo8.0语言:简体中文大小:4.82G安装环境:Win11/Win10/Win8/Win7硬件要求:CPU@3.0GHz 内

-
尼克尔Z DX 24mm f/1.7评测:轻量化大光圈定焦镜头
这是一款适配于Z卡口APS-C画幅微单相机的DX画幅镜头,可以在尼康Z fc、Z30、Z50相机上使用,同时它也是一款大光圈定焦镜头,具备轻量化

-
精讲研词28|词根——gen
01.5G中的G是什么?5G如火如荼,我们到处也可以看到这个词那么5G的G究竟指的是什么呢?G = generation n.代际5G = Th

-
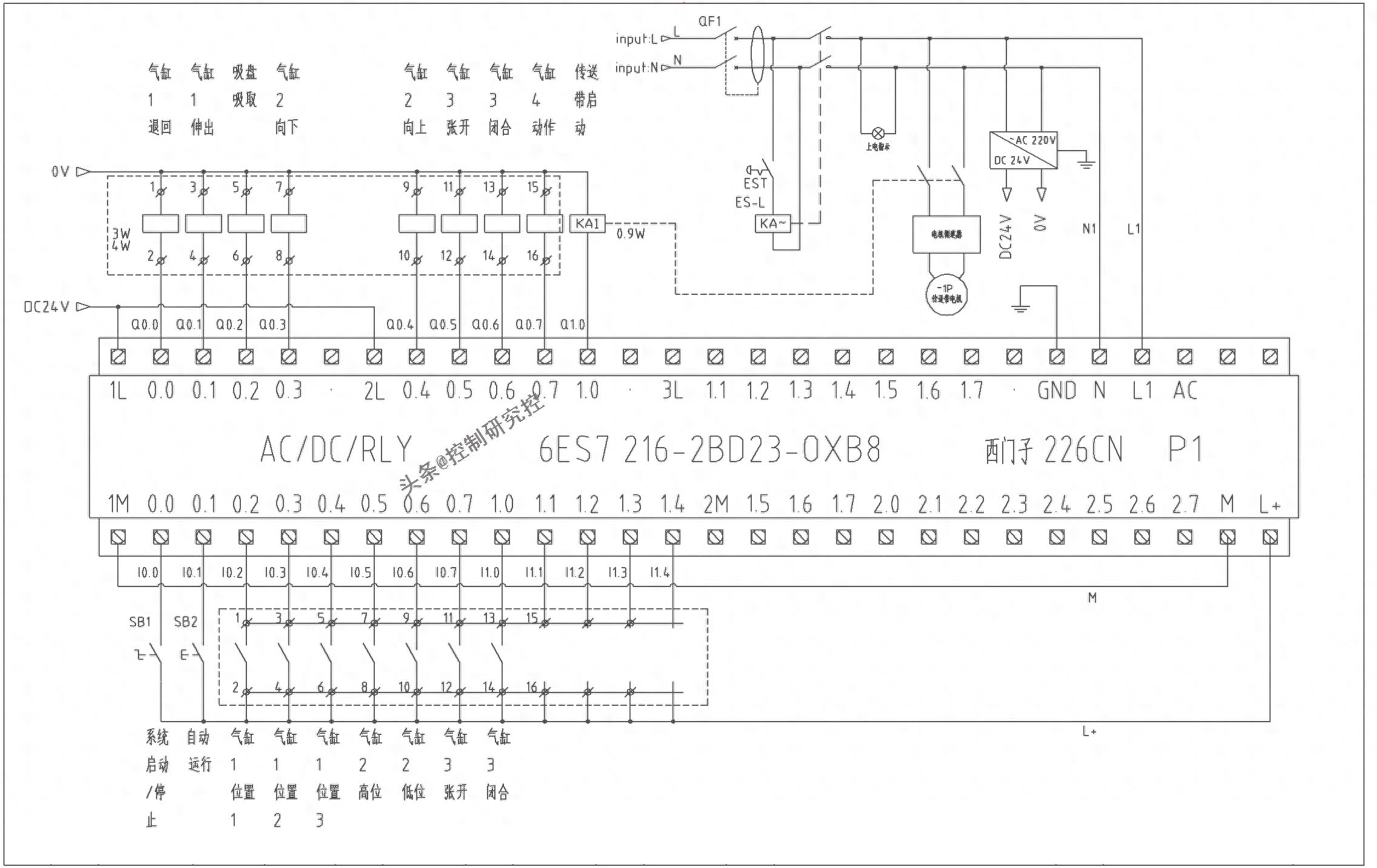
例说一个小PLC系统的电流(负荷)如何计算?
今天手上正好有个很小的PLC项目,就来分析一下,分享给朋友们。该型号是CPU本体上已经集成了I/O点的,因此没有附加其他的模块,让大家看一下电路

-
聊几款5000~6000元我比较推荐的笔记本电脑
笔记本电脑的品类开始逐渐丰富起来,而根脑分为三大类别——游戏本、轻薄本、全能本。【游戏本】首先是联想Y7000:它的配置如下:i5-8300H处

-
PDF转EXCEL,分享几个免费的方法给大家
在我们的日常生活和工作中,经常需要使用PDF转换成各种格式的情况,今天就给大家分享PDF转换成EXCEL的方法,帮助大家免费把PDF文件转换成E

-
怀旧向 - 带我入坑的苹果设备iPod Touch 5
12年9月一经发布,就让眼馋iOS流畅体验的我看到了曙光。

-
惊喜的不仅仅是速度 尼康Z 9全画幅旗舰微单上手
尼康与昨日正式发布了旗舰级全画幅微单Z 9,今天我们在上海的媒体体验会上也有幸亲自体验了一把这款现在非常受大家关注的相机。

-
想买华为手机不容易,这4部才是目前最佳选择,你买的是哪一款?
去年上半年华为还是机海战术,下半年受到芯片断供的影响,新机数量锐减,只发布了畅享20系列、Mate40系列以及Nova8系列几款新机,这些手机的

-
选笔记本要关注这几点!ChatGPT都不知道
本创作是本人在今日头条的原创首发内容,拒绝任何人任何形式搬运到其它平台发布!即将迎来9月1日,数百万学子即将踏入大学校园,步入他们心心念念的大学

-
从5999“跳水”1999二手价,三星顶级屏幕+IP68防水,优势很明显
目前,全球手机出货量排名第一的手机厂商仍是三星,自从诺基亚没落之后,就没有哪家手机厂商是三星的对手了,三星的供应链非常完整,推出的手机配件水平都

-
三星i9208恢复出厂设置的方法
【搞科技教程】这前给大家分享的都是关于三星i9208的刷机和root的一些方法,这一节给大家主要来说一个关于这个手机的小技巧,虽说不经常用到,不

-
无奈错过了春天---记Sony a7m2 维修碎碎念
作者:snail散步 第0话 一些碎碎念最近霉运不断,相机和电脑相继罢工,心累不要不要的。相机是买的国行,还算顺利。电脑是DELL M4800,

-
2021计算机采购谁主沉浮
2021年,中央国家机关政府批量采购总共采购台式计算机60559台,笔记本电脑17141台,中央国家机关计算机采购从时间分布看,主要的采购都在半

-
盘点:那些年我们一起用过的vivo历代手机
在中国手机市场的众多手机品牌中,君对于vivo真的是情有独钟。作为一名从来没有买过vivo手机的脑残粉,君就是这么爱着这款手机。有人会问,既然你

-
安兔兔跑分高达108万 第一代骁龙8+移动平台性能测试
今天,高通正式推出了新一代骁龙8+移动平台,该平台作为骁龙8的升级版,在体验上也延续了骁龙8的六大优势,将在影像、AI、游戏、音频、连接以及安全

-
OPPO Find N2 Flip折叠屏手机面向全球发布,售价999欧元起
OPPO Find N2 Flip 是一款竖向折叠屏手机,搭载联发科天玑 9000+ 移动平台,采用一块 6.8 英寸 2520×1080 三星

