
-
移动硬盘如何装系统(硬盘重装系统的教
在计算机上也可以登录系统的情况下,如果你想拆卸和更换计算机系统,你可以使用硬盘重新安装系统来重做系统。但有很多

-
如何显示文件后缀名(显示文件后缀设置
在平时工作中,我们经常会使用到文件。比如在工作中,会使用到各种文件,这些都是以文件后缀名显示出来的。但是在平时

-
格力空调wifi怎么连接手机(添加格力智能
一、配网准备 1、 确认设备为格力带WiFi或蓝牙连接功能的产品; 确认家庭WiFi是2.4GHz频段WiFi; 确认设备所处位置连接WiFi网络

-
固态硬盘损坏的表现是什么(电脑SSD固态
随着电脑技术的不断进步,电脑已经不再变得笨重、卡慢,Macbook、XPS等一系列笔记本都是以轻薄、高效著称,而让笔记本轻

-
荣耀20S全面评测:3200万像素荣耀年度最强自拍
荣耀20S全面评测:3200万像素荣耀年度最强自拍

-
卷土重来,三星Galaxy S6评测
对于已经有一定基础的公司来说,把自己新一代的旗舰产品从0开始重新设计是需要勇气的,面对表现不佳的S5,三星的S6肩负着更加重的任务,所以这回S6

-
23年前的国内首款自主操作系统,以及它背后的故事
此前我们三易生活已经为大家展示了许多稀有的古早手机,而通过它们中的一些,更是可以窥见从2000年到2008年期间,国产智能手机操作系统一次又一次

-
深入剖析刘小枫对中国影片叙述伦理学发展的影响
笔者认为在刘小枫看来,伦理可以分为两种类型:一种是合理的伦理,另一种是叙述伦理。合理的伦理,就是研究人们在生活中所要遵守的普遍规律,以及人们在日

-
视觉平衡把控不好?看看摄影大赛作品!
一副合格的作品,画面布局让人看起来舒服,这就是视觉上的平衡。与之相反,有的照片第一眼看上去,要么是画

-
iPhone15没新意?VERTU新款第二大脑Web3手机,打造专属AI智能体
编辑:好困 桃子【新智元导读】人类「第二大脑」诞生!高奢新款METAVERTU正式发布,自研DOS系统,打造个人专属Agents,让GPT真正走
-
如何找到离你最近的核酸点位?方法都在这里啦
公 告致广大市民群众:为满足广大市民群众核酸检测需求,提高核酸取样的快捷性便利性,天山区将24辆流动核酸取样车的24处常用点位和44处巡回点位、

-
HUAWEI MatePad 10.4英寸评测:学娱一体的智慧平板
而作为整个系列中的基础入门款,HUAWEI MatePad 10.4英寸的定位十分明确,为教育市场提供一款适合孩子又拥有出色性价比的优质平板。近

-
27年终落幕!微软宣布:IE浏览器正式退役!网友:考试报名咋办?
据北京青年报,IE浏览器全称为“Internet Explorer”,是Windows第一个默认浏览器,推出于1995年。

-
五一游三星堆免费讲解攻略来啦
五一假期期间,三星堆博物馆暂停收费讲解,全体讲解员将为观众提供定时免费讲解服务。讲解时间为:综合馆8:30-12:00,13:00-16:30,

-
5.99英寸全面屏 锤子坚果Pro 2正式发布
锤子科技于11月7日19:30在成都大魔方演艺中心举行秋季新品发布会,正式发布了坚果Pro2。2背部指纹识别模块和Logo融合为一体,正面上下边

-
OPPO Watch 4 Pro评测:智能手表产品里的无可替代
OPPO官方对这款手表的描述为旗舰全智能手表,它作为第四代产品,在秉承了前三代的优秀外观设计和功能上继续开拓创新,不仅表壳、底盖、屏幕各方面都升

-
中学英语同义词辨析241讲 sign, signal
241、sign, signal一、sign 名词。意思是“标志、符号、示意、信号”。通常指能发现或能看得见的实物。例如:The sign on

-
drought 和 draught 仅一字母之差
例句: He took a draught of water after several hours of work.例句:I need dra

-
飞利浦DDL702可视智能锁 , 安全系数高主动安防
伴随着科技的进步,智能时代已经来临了,而智能家居也随之兴起了,消费者们为了提高生活品质会购买一些智能产品,比如智能音箱设备、智能电视设备、智能锁

-
如何更快的买到首发iPhone 13系列 苹果官网抢购攻略
iPhone 13 支持通过线上购买 iPhone 和 AppleCare+ 并获得“年年焕新”资格,也就是说,用户在 Apple Store

-
锐龙7 4700G带来极致的能耗比!联想启天A850一体机评测
一、前言:锐龙7 4700G加持的联想启天A850一体机在当今追求低碳节能以及小型化的办公环境下,台式主机不论是占地面积还是能耗都已经无法满足需

-
魅族Pro5可能是魅族最经典的手机吧!
魅族在今年发布了Pro7系列的旗舰手机,由于独特的双屏设计迅速大热。不过在小蟹看来其实魅族最经典的一款旗舰应该是它——魅族Pro5。

-
细数90后那些悲催的游戏往事 再也回不去了
前言:我们这些90后从小开始接触游戏,第一个接触的可能就是国产大盗版小霸王游戏机了,玩的游戏基本都是《魂斗罗》,《超级玛丽》,《沙罗曼蛇》等等。

-
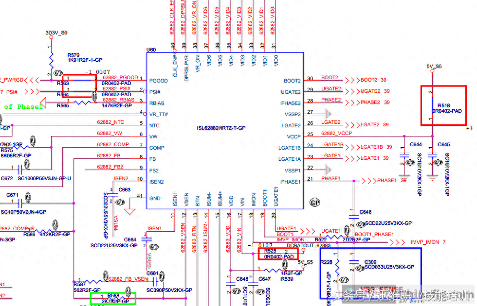
示波器维修笔记本电脑开机不显示,维修神器,亲测靠谱!
:**开机不显示,待机0.015A,开机1.125A到1.21A。打CPU的电压0.9V,其它除独显供电没有电压,其它都出来了。

