
-
移动硬盘如何装系统(硬盘重装系统的教
在计算机上也可以登录系统的情况下,如果你想拆卸和更换计算机系统,你可以使用硬盘重新安装系统来重做系统。但有很多

-
如何显示文件后缀名(显示文件后缀设置
在平时工作中,我们经常会使用到文件。比如在工作中,会使用到各种文件,这些都是以文件后缀名显示出来的。但是在平时

-
格力空调wifi怎么连接手机(添加格力智能
一、配网准备 1、 确认设备为格力带WiFi或蓝牙连接功能的产品; 确认家庭WiFi是2.4GHz频段WiFi; 确认设备所处位置连接WiFi网络

-
固态硬盘损坏的表现是什么(电脑SSD固态
随着电脑技术的不断进步,电脑已经不再变得笨重、卡慢,Macbook、XPS等一系列笔记本都是以轻薄、高效著称,而让笔记本轻

-
翻出这部十年前的诺基亚QD!按键完好如初,手感爆棚
十多年前遍地都是诺基亚S60手机,还记得那个时候6600风靡过、N70风靡过、E71也风靡过。诺基亚在辉煌的那十年时间里,曾推出过几百款手机,9

-
疯狂动物园
在这2021世纪中,市场上出现了很多好玩的手机游戏,很多小伙伴都在抱怨没有找到心仪的游戏,不如试试小编推荐的这款疯狂动物园。

-
双十二超值优惠,戴尔轻薄优雅XPS13 9360仅需7499!
在外观、设计、做工、体验、续航等综合水平也十分优秀,作为轻薄本的鼻祖,赢得无数芳心。 虽然现在已经有更新的XPS139370,但同样搭载英

-
胎压监测守护出行安全 这几百块花的值!
在我国,由于没有强制前装的相关政策,所以胎压监测属于区分高低配车型的差异性配置,所以许多车是在“裸跑”。

-
好用的文件管理器大合集,起码不得4星以上?
> ES文件浏览器是Android平台上较为出色的文件管理器之一,用户在该管理器下浏览文件时还能够显示手机菜单界面,各种应用程序和文件一目

-
买了新电脑,必装这7款良心软件,绿色无广告,每一个都是精品
很多朋友买了新电脑,除了安装一些常用的软件,就不知道有哪些实用的软件了,下面给大家推荐7款必装的良心软件,绿色无广告,每一个都是精品。

-
索尼官宣9月1日发布新品,预计为Xperia 5 V手机
IT之家 8 月 25 日消息,索尼现已宣布将在 9 月 1 日下午 3 点举行 Xperia 新品发布会,预计发布 Xperia 5 V。据

-
一用户要求我给他电脑装XP系统,他很怀旧当年的单机游戏?
干电脑维修维护行业的同行朋友们,装系统的活是老生常谈,家常便饭的了!到他家之后他简单地描述了电脑故障,他想耍当年的单机游戏,就去网上去下载去了,

-
Pandownload百度网盘不限速下载器PC版|Android版
最近有很多同学反应使用百度网盘下载Python自学视频速度很慢,所以菜鸟小白菌搜遍全网,给大家找到一个神器:度盘(PanDownload)下载器

-
适马富士X卡口100-400mm f5.0-6.3镜头上架,售价6499元
IT之家 9 月 16 日消息,适马富士 X 卡口 100-400mm f5.0-6.3 镜头现已上架,售价 6499 元,9 月 23 日开卖

-
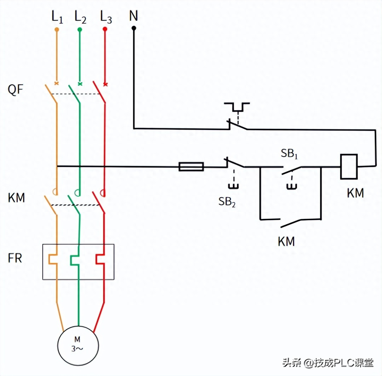
老师傅带你了解电气图文符号,看电路图不再慌张
在电力系统中,或者弱电系统中,实际电路都是由多个元器件连接组成的,再通过导线使其各自相连,最终实现对用电设备的控制和操作。

-
五条新冠疫苗研发技术路线之一——灭活疫苗
国家卫健委医药卫生科技发展研究中心主任郑忠伟在介绍疫苗研发工作时表示,目前正在沿着5条技术路线推进疫苗攻关工作,包括:灭活疫苗、基因工程重组亚单

-
双语新闻播报(October 26)
In April 2022, Balto launched a weekly bike bus for his school community

-
比我便宜算你赢!戴尔官网比价风暴震撼来袭!
活动期间,只要您在戴尔京东、天猫旗舰店或京东自营店这三个平台发现同款产品同款配置的价格比官网低,就可以直奔官网找到客服小姐姐,差价多少减多少,购

-
只看配置 双·12大促5千到8千元最值得选的四款游戏本
雷神911 Air星战四代游戏本的显卡是NVIDIA GeForce RTX 3050 Laptop,此款GPU在RTX 30系列里面算是主流产

-
你知道口语常用介词during的用法有哪些吗?
1.during和for均可表示一段时间,但两者有差别。如:Hewasinhospitalforsixweeksduringthesummer.

-
魅蓝5s评测:这可能是最超值的快充手机
【手机中国 评测】1月份的魅族2017年媒体沟通会上,副总裁李楠宣布魅族2016年的全年销量为2200万,相比2015年的2000万台增长10%

-
搞定2020年路由器选购,家庭组网干货攻略
Hello,大家好我是liuspy。今年双十一来临之际, 每半年一更新的家庭组网攻略终于新鲜出炉啦。2020年对于wifi是不平凡的一年,wif

-
诺基亚机海来了!四款新机已获认证 搭载紫光展锐处理器
而近日,手机中国注意到,诺基亚有四款新机型已经通过了蓝牙SIG认证,这或许意味着该品牌将会在未来一段时间内发布不少新产品,感兴趣的网友可以关注一

-
电脑技巧:七个非常神奇有趣的网站,值得收藏
互联网是一个神奇的世界,存在着许多令人惊叹的网站,这里就给大家分享七个非常神奇有趣的网站,个个让你眼界大开,值得收藏!

