
-
移动硬盘如何装系统(硬盘重装系统的教
在计算机上也可以登录系统的情况下,如果你想拆卸和更换计算机系统,你可以使用硬盘重新安装系统来重做系统。但有很多

-
如何显示文件后缀名(显示文件后缀设置
在平时工作中,我们经常会使用到文件。比如在工作中,会使用到各种文件,这些都是以文件后缀名显示出来的。但是在平时

-
格力空调wifi怎么连接手机(添加格力智能
一、配网准备 1、 确认设备为格力带WiFi或蓝牙连接功能的产品; 确认家庭WiFi是2.4GHz频段WiFi; 确认设备所处位置连接WiFi网络

-
固态硬盘损坏的表现是什么(电脑SSD固态
随着电脑技术的不断进步,电脑已经不再变得笨重、卡慢,Macbook、XPS等一系列笔记本都是以轻薄、高效著称,而让笔记本轻

-
小米米家3D打印机上架:众筹价1699元,打印、固化二合一
IT之家 8 月 14 日消息,日前,小米有品上架一款米家 3D 打印机,众筹价 1699 元,8 月 16 日 10 点开启众筹。

-
抖音很火的小霸王在线游戏机源码免费分享
童年回忆FC(俗称红白机/小霸王游戏)也曾在80、90年代风靡中国大陆。那个时候也有很多人管它叫红白机或小霸王游戏机。相信很朋友都有在童年时代玩

-
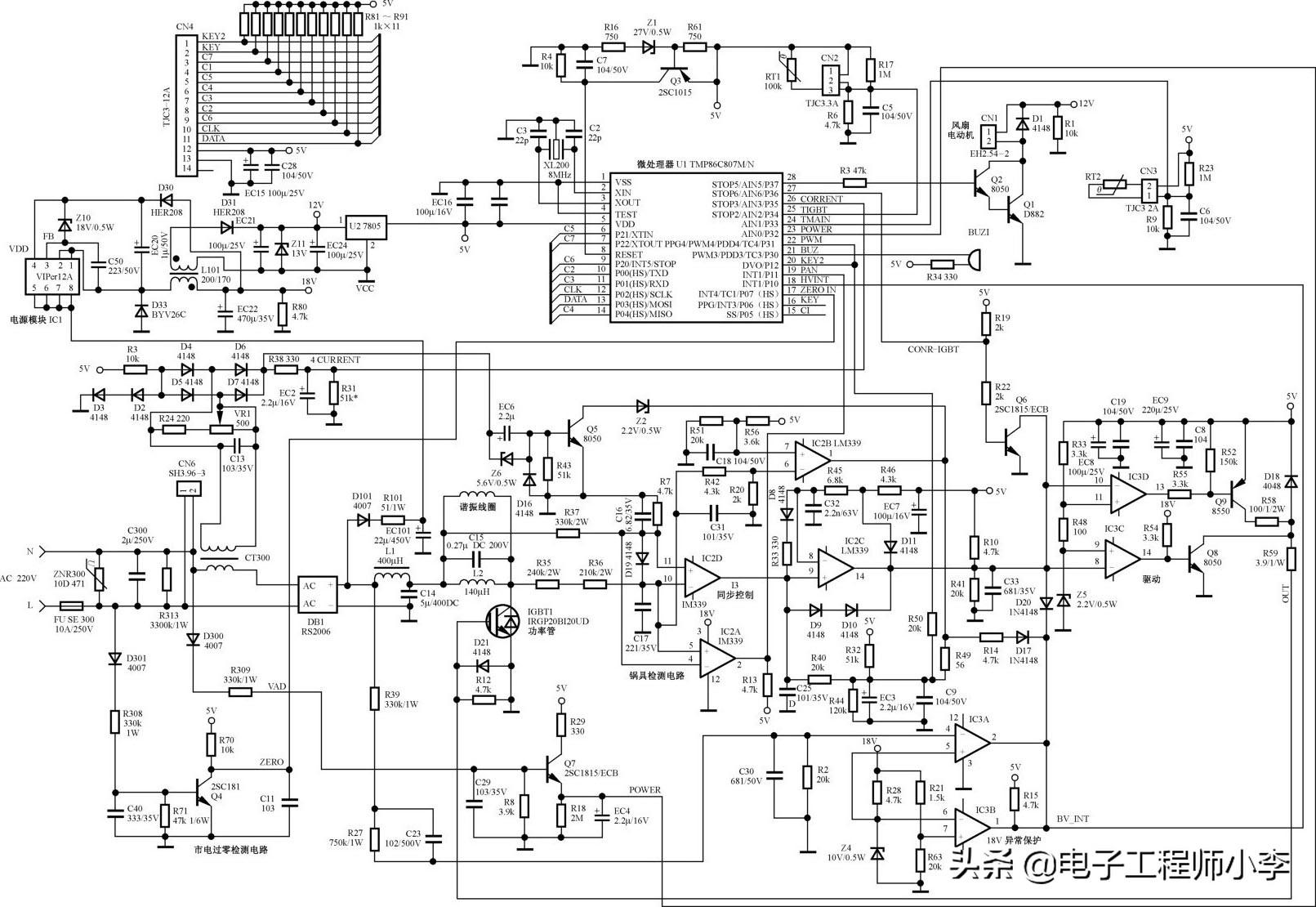
典型电磁炉电路的识图方法,一看就懂
LM339构成的电磁炉下面以美的PSY18B/18C型电磁炉为例,介绍由LM339为核心构成的电磁炉电路的识图方法。美的PSY18B/18C型电

-
七个葫芦娃终凑齐 AMD R9 380X首发测试
2015-11-19 20:00:00 作者:赵鑫喆AMD在2015年6月正式发布旗下新一代显卡,此次发布除了R9 200系列的强化版——R9

-
目前可以“闭眼买”的3款手机,颜值高手感好,几乎“零差评”
现在手机市场更新了很多机型,由于市场竞争激烈,新款手机也带来了更强大的配置,除此之外还提高了手机质感,以此来吸引更多用户选择,现在就有很多款手机

-
坚果首款 5G 新机坚果 R2 正式发布,售价 4499 元起
搭载高通骁龙 865 芯片,配备 2340x1080 分辨率,90Hz 刷新率 6.67 寸 AMOLED 屏,采用曲面挖孔屏设计,支持最高 8

-
APS-C画幅无反新标杆 2600万像素富士X-T3评测
经过几年的发展已经获得不少专业用户的好评,尤其是在X-T2后,无论是对焦还是连拍以及直逼高端的同类型单反相机。

-
想知道11年前发布的酷睿2代i3处理器i3-2100还能玩什么游戏吗?
上一篇我们介绍了2011年2月发布的第二代酷睿i3处理器i3-2100的一些基本信息和在播放高清视频时的表现,感兴趣的可以回顾一下【想知道11年

-
入魔评测|口袋偏科生适马DP2Q
DP2Q拥有一支不可更换的30mm/f2.8等效标头,和一块APSC画幅的X3传感器。我身边不管摄影发烧友,还是对相机一无所知的小白,都认为这是

-
苹果大杀器!首款折叠屏发布时间曝光,这次做到了完美“0折痕”
在外观上,已经有媒体爆料,苹果首款折叠屏设备应该采用内折的方案,同时内屏尺寸为 8.9 英寸,相当于两台 iPhone Pro Max 的大小,

-
安卓平板没有未来?酷比魔方iPlay 20平板电脑体验
最近几年很多厂商都把主要精力转到了智能手机上,曾经红极一时的平板电脑似乎有些没落的意思,特别是安卓平板正营更是很少发布新品,之前在逛论坛的时候看

-
2023年春运,收官!
2月15日,乘坐K362次列车的旅客抵达西安站。当日,2023年春运迎来最后一天。数据显示,今年春运全国铁路、公路、水路、民航累计发送旅客超过1

-
长沙“十佳”影院新鲜出炉,观影打卡有了最强指南
星辰在线7月11日讯(星辰全媒体记者 贺亚玲)他来了!他带着免费电影票来了!刷爆长沙影迷朋友圈的由“长沙市第二届我最喜爱的影院”评选活动网络投票
-
世界顶级羽绒服十大品牌排行榜单?什么级别穿什么品牌
服装这个品类,低端是刚需因为没有会冻死,高端属于非刚需,什么叫非刚需,就是可以买可不买,高兴就买,不高兴就不买,有钱了就买,没钱不买,这个属于感

-
空调用久了不制冷?别被维修工给蒙了!教你一招,自己轻松搞定
现在天气是一天比一天热,那要是在房子里不安一个空调,再过几天估计会泡在冷水里不出来了。家里的空调长时间的使用突然感觉没有以前那么制冷了,或者制冷

-
四款Type-C数据线拆解对比 不光要好看!里面好才是真的好!
为了充电方便,很多人都会在公司、家里、车上都准备一根数据线,不过随着Type-C接口的普及,用了Type-C手机后原来的Micro USB数据线

-
小米随身WiFi驱动电脑版下载
小米随身wifi驱动是小米随身WiFi的驱动程序。有了小米随身WiFi你的小米WiFi才可以使用,有了小米随身WiFi,您就字不用担心你的流量使

-
LG电视机24小时服务电话(全国400客服)维修服务热线统一报
LG电视全国各市服务热线号码400。

-
侧旋结构带来不一样的美 OPPO Reno标准版评测
屏幕视野开阔OPPOReno标准版同样也采用创新的侧旋升降结构,升起时有点像海豚的鳍,非常有个性。因为升降部分拥有较大的面积,OPPO在这上面集

-
买得贵不如买得对,OPPO Find X5系列这么选让你省几千
2022年2月24日OPPO Find X5系列正式发布,该系列共分为OPPO Find X5、OPPO Find X5 Pro、OPPO Fi

