
-
移动硬盘如何装系统(硬盘重装系统的教
在计算机上也可以登录系统的情况下,如果你想拆卸和更换计算机系统,你可以使用硬盘重新安装系统来重做系统。但有很多

-
如何显示文件后缀名(显示文件后缀设置
在平时工作中,我们经常会使用到文件。比如在工作中,会使用到各种文件,这些都是以文件后缀名显示出来的。但是在平时

-
格力空调wifi怎么连接手机(添加格力智能
一、配网准备 1、 确认设备为格力带WiFi或蓝牙连接功能的产品; 确认家庭WiFi是2.4GHz频段WiFi; 确认设备所处位置连接WiFi网络

-
固态硬盘损坏的表现是什么(电脑SSD固态
随着电脑技术的不断进步,电脑已经不再变得笨重、卡慢,Macbook、XPS等一系列笔记本都是以轻薄、高效著称,而让笔记本轻

-
联想宣布到2025年80% 的设备都可以维修
IT之家 10 月 6 日消息,联想高级副总裁兼智能设备集团总裁卢卡・罗西(Luca Rossi)在 2023 年 Canalys EMEA 论

-
小米汽车技术发布在即 小米股价单日大涨超4%
12月27日消息,距离小米汽车技术发布会还有一天,今天小米股价就涨了!截止目前,小米集团股价单日应声大涨4.08%,来到16.320港元,取得1

-
“被禁”之后 华为的心声论坛里有这些讨论
5月15日美国商务部表示,将把中国公司华为及其70家附属公司列入管制“实体清单”。华为创始人任正非在深圳接受国内媒体采访时,曾说:“我们公司员工

-
vivo X Fold评测:这或许是当下折叠屏最接近完美的一次
作为国内主要手机品牌中最后一家推出折叠屏机型的vivo,在X Fold发布前就打出了“开启折叠屏2.0时代”的口号,从配置上来看,vivo X

-
YOGA终结者?联想小新Pro14高刷版开箱测评
小新是联想旗下销量最大的性价比轻薄本系列,Pro14则是其中定位较高一款,它直接沿用了上位机型YOGA14s的模具,全金属机身、杜比全景声等要素

-
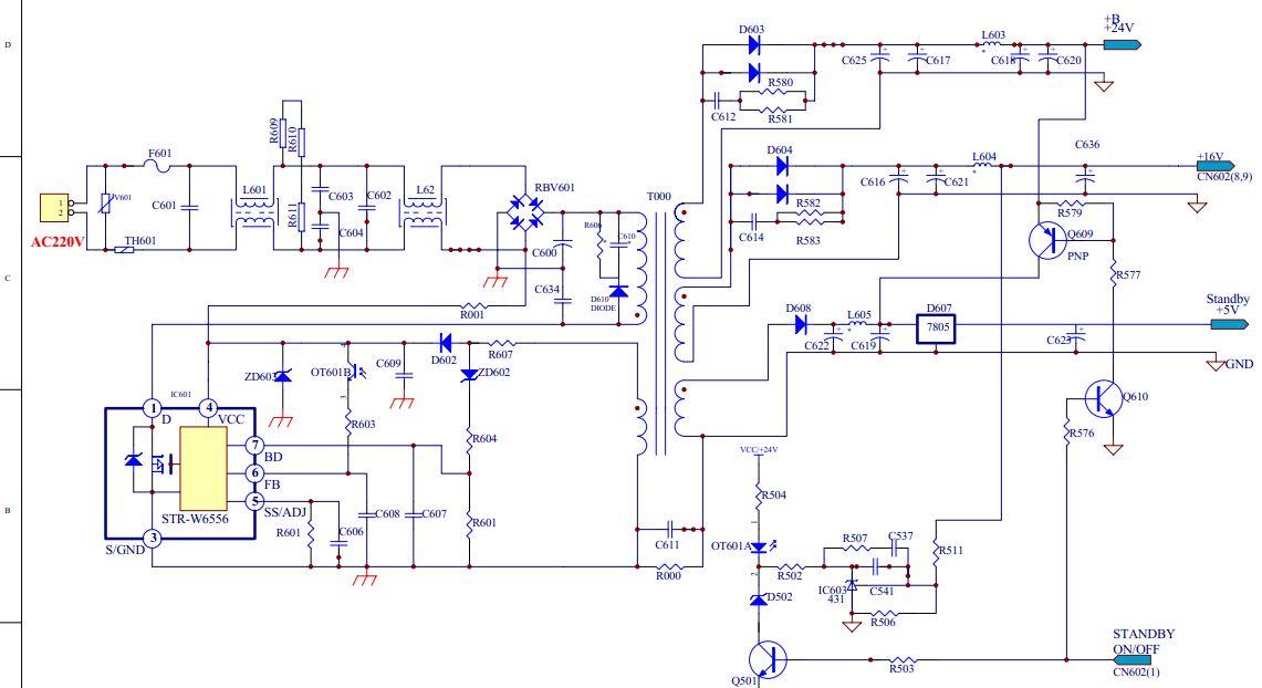
液晶电视维修技巧要领口诀
液晶电视维修技巧要领口诀液晶电视电源主要由待机副电源、PFC电源、主电源、过压过流过热保护、开待机控制等电路组成。

-
图片太大怎么办?学会这2个技巧,有效压缩图片体积
我们在工作中,有时候需要将图片上传到平台上,可是图片太大无法上传怎么办?今天就来教你,学会下面这2个技巧,有效压缩图片体积。一、降低图片品质首先

-
台式电脑开机,显示器屏幕没有反应?试试这个排查步骤吧!
台式电脑开机时,显示器屏幕却没有反应,这究竟是怎么回事呢?别着急,为了帮助大家更快更便捷的排查问题,本篇就为大家整理了几点经验,快快收藏备用!1

-
交了智商税后才知道:这9种电视机再便宜都不要买,踩坑后总结!
最近看到有博主分享观点,说客厅不要再买电视机了,建议买投影仪更方便好用,其实我是反对的:对于大部分家庭来说,客厅首选的还是电视而不是投影仪。

-
漫步者 TWS3 体验:高性价比的入门款真无线耳机
如果你希望体验一下真无线耳机,漫步者TWS3是300元档不错的入门选择。随着越来越多的手机砍掉3.5毫米耳机插孔,无线耳机正在迅速地占领市场。

-
机情问答:哪款旧旗舰值得入手?华为新小折叠要来了?
在当今社会,智能手机已经成为了人们生活中必不可少的物品。然而,对于很多人来说,购买最新款的手机可能并不是最明智的选择,因为新手机价格较高。

-
硬件丨英伟达RTX 40系列最早2022年底发售,性能最高可达RTX 3090两倍
而就在最近,联想ThinkPad X1 Extreme G4游戏本的部分规格泄露,在这份泄露出来的配置表单中就写着ThinkPad X1 Ext

-
vivo X80系列正式开售!vivo X系列十年之作3699元起
【手机中国新闻】不久前,vivo发布了X系列十年之作——vivo X80系列影像旗舰。4月29日,vivo X80系列正式开售。vivo X80

-
免费版虚拟光驱软件:DAEMON Tools Lite 12.0.0
DAEMON Tools Lite结合了用于磁盘映像的必备功能和用于虚拟设备的各种工具。你可以选择一个免费的应用程序来创建DVD、存储、安装图像

-
华擎推出B460TM-ITX和H410TM-ITX,用笔记本内存的半高ITX主板
主板上有两个SATA 6Gbps接口,一个M.2 2280,此接口支持PCI-E 3.0 x4或SATA 6Gbps,有个M.2 Socket

-
固态硬盘涨价已成定局 55%起步 持续涨2年?
过去3年,随着国产存储崛起,固态硬盘、内存等存储设备价格逐步降低,尤其是在2022年底到2023年初这段时间里,固态硬盘价格较2020、2021

-
戴尔(DELL)Inspiron 15-7500超薄高端机
一般正常电压处理器,GTX系列显卡的笔记本都比较厚,也比较沉,今天徐先生给大家带来一款戴尔轻薄笔,性能不输游戏本,方便携带,出门办公娱乐两不误的

-
苹果手机怎么连接电脑?4招轻松连接!
“新买了一部苹果手机,想连接电脑传一些文件,但是不知道该如何操作。有没有朋友可以帮帮我呀?”苹果手机作为一款智能手机,在市场上的应用越来越常见。

-
苹果发布iPhone 15/15 Plus:标配4800万像素主摄
Apple 今天发布了 iPhone 15 和 iPhone 15 Plus,具有改进的性能、之前在 iPhone 14 Pro 上看到的动态岛

-
Windows 7怎么恢复出厂设置
你是否曾经在面对电脑问题时感到无助?是否曾经想过将你的Windows 7系统恢复到出厂设置,重新开始?别担心,为你提供详细的步骤和实用的技巧,让

